"Performance of the computer is somewhat secondary to the performance of my cooling system."
This Goliath PC cooling setup runs on a complex network of piping, refrigeration, water tanks, and wiring. The chiller and chiller tank pumps are controlled by hand and the rest is controlled with the U3-LV's and DaqFactory. It was designed and built by a customer in Ontario, Canada. Expand the post for more information on the setup, and details on how it was built.
This project has been ongoing, and Randy was kind enough to provide a lot of information about his past and present setups. In order to get the best possible combination of cooling components, he had to know what was going on, so he used the U3-LV and DaqFactory. All the data helps him to improve the cooling system, and in-turn, his computer.

Almost everything is water-cooled: The main CPU, both video cards, the Northbridge, Southbridge, even some Mosfets.
Specs...
- Corsair Obsidian 800D Full Tower Case
- Asus Rampage II Extreme Motherboard
- Intel Core i7 920 CPU (stock speed)
- 12 G Patriot Viper DDR3 1600 Memory
- Dual PowerColor AMD HD6950 1G video cards in CrossFire (stock speed)
- Corsair HX1000W Power Supply
- 2 x WD 150G 10,000 RPM Velociraptors in Raid 0 for the OS drive
- 3Ware 9650SE Raid Controller
- Creative PCI-E X-Fi Titanium Fatal1ty Pro Audio
- M-Audio BX5a Deluxe Speakers with a Paradigm 8" Sub
- 24" Samsung SyncMaster 245T
- Loop - Koolance CPU-370 water block
- Loop - 2 x EK 6950 full coverage video card water blocks
- Loop - 2 x EK mosfets blocks and Koolance N/S block
- Pro Source 1500 VA pure sine wave UPS
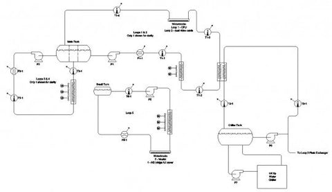
Below you will find the schematic for the cooling loops. Most PC water-cooling is accomplished with a single loop, and a simple copper heat exchanger that rests on the processor. This water-cooling schematic demonstrates 5 active cooling loops, multiple pumps and radiators, and even a chiller.

The electronics control portion is a combination of the U3-LV, and a few boards that were designed in Eagle and etched using the toner transfer method and Pulsar transfer paper.

The 3 center boards to the right are the temp sensor conditioner and filter boards for analog inputs. Top left is a relay board that turns power on/off to the rad fans. Next to that are PWM'd analog fan controllers. The lone board in the bottom cleans up and de-bounces the flow pulse signals and the center left is a mux board that feeds the flow tach signals into 1 counter. 3 digital I/O lines toggle the mux board to address what flow pulse is to be measured.

EK XT 240 radiator and a Koolance HXP-193 plate heat exchanger. All temperature sensors and flow meters are from Koolance. Tube fittings are various, BitsPower, Koolance etc. depending on what the local suppliers had in stock.
A few custom control screens inside DAQ Factory. The screenshot below shows some sensors on the chiller loop.

The chiller screen shows tank temp and the in/out temps that feed the plate exchangers. The graph shows the chiller running, and the drop in temperature indicates the point when the plate exchanger pump was activated.

The main screen shows room temp, humidity and dew point so that it is apparent when condensation will occur. Reservoir Temp is the temp of loop 5 for the Mosfet loop. Loop air in temp is the air temperature being pushed into the acrylic box on top of the computer stand. Then there are manual radiator on/off fan control buttons.
The acrylic triple rad enclosures, main tank and secondary loop enclosure were done in SolidWorks. Each panel was modeled and assembled before sending the drawings to a local supplier, which then CNC routed them out.
The green tank on the stand has two Swiftech MCP350 pumps (loops 3 & 4) pushing fluid through 2 Swiftech MCR320 QP radiator units below the tank. It is basically the ambient tank. The MCP350's are pushing about 7 - 8 L/min. From the main acrylic tank there are two 2 MCP655 pumps (loops 1 & 2), each one pushes fluid through an EK XT 240 radiator (located in the top acrylic box) then through a Koolance HXP-193 plate heat exchanger.

2 MCR320 QP radiator units. The 2 stands were made with aluminum angle and plate which was modeled in SolidWorks. Power supplies on the bottom with custom radiator enclosures middle.
The blue insulated tank on the floor to the right is a standard 25 gal fish tank and inside the tank are two standard aquarium pumps. One pumps fluid to the chiller which is hard to see in the bottom right and the other pumps fluid to the plate heat exchangers. Some pipes are covered in insulation to help prevent condensation. Also notice (top left) the HVAC system is piped into the radiator and plate exchanger box, to pre-cool the air.
In most places the water itself sits at below-ambient temperatures, and the CPU idles around 23-24C. Under a lot of load (running prime95), the CPU maxes out at 41C. For the most part, the GPU cards are the limiting component, as they run a little hotter than the CPU.

From the inventor...
"I'm from southern Ontario, Canada about 60 miles SW of Toronto. I'm an industrial electrician and electronics technician and I design and program the industrial controls for the company I work for. We make industrial shredders ranging from 10 to 1200 Hp and can be a standalone unit or a complete shredding system. At work I get to play with the big expensive stuff and it sort of carries back to the home hobby.
Always built my own computers. Started way back with a Motorola 6802 and programming that in machine code. That eventually changed to PIC processors. I have several other U3's running under another computer with DaqFactory and they collect weather, temperatures, humidity, water and hydro use.
One thing I haven’t done yet is to figure out how much heat is being dumped into the system but it's on the ‘to-do’ list. The other thing not done is to see how well the system performs under a couple hours of gaming."
